Pièces Détachées
OK
Accueil
Compte
Votre panier
0,00 €
0
Boutique
A Propos
Contacts
Actualités
Eclatés techniques
Déstockage
Annonces
Boutique
Catalogue des Marques
Rielda S.R.L
Rielda Serrature
Marques
Bianchi
Lavazza
Rhéavendors
Saeco
Tecnomatic
Trial
N&W Gobal Vending
Vendo - Sanden
Informations
Actualités
Inscription
FAQ
Témoignages
Services
Tél : 01 40 92 95 95
DIFCAA
7 Avenue Descartes
92350 - Le Plessis Robinson
Éclatés techniques
Rechercher
Retour aux éclatés techniques
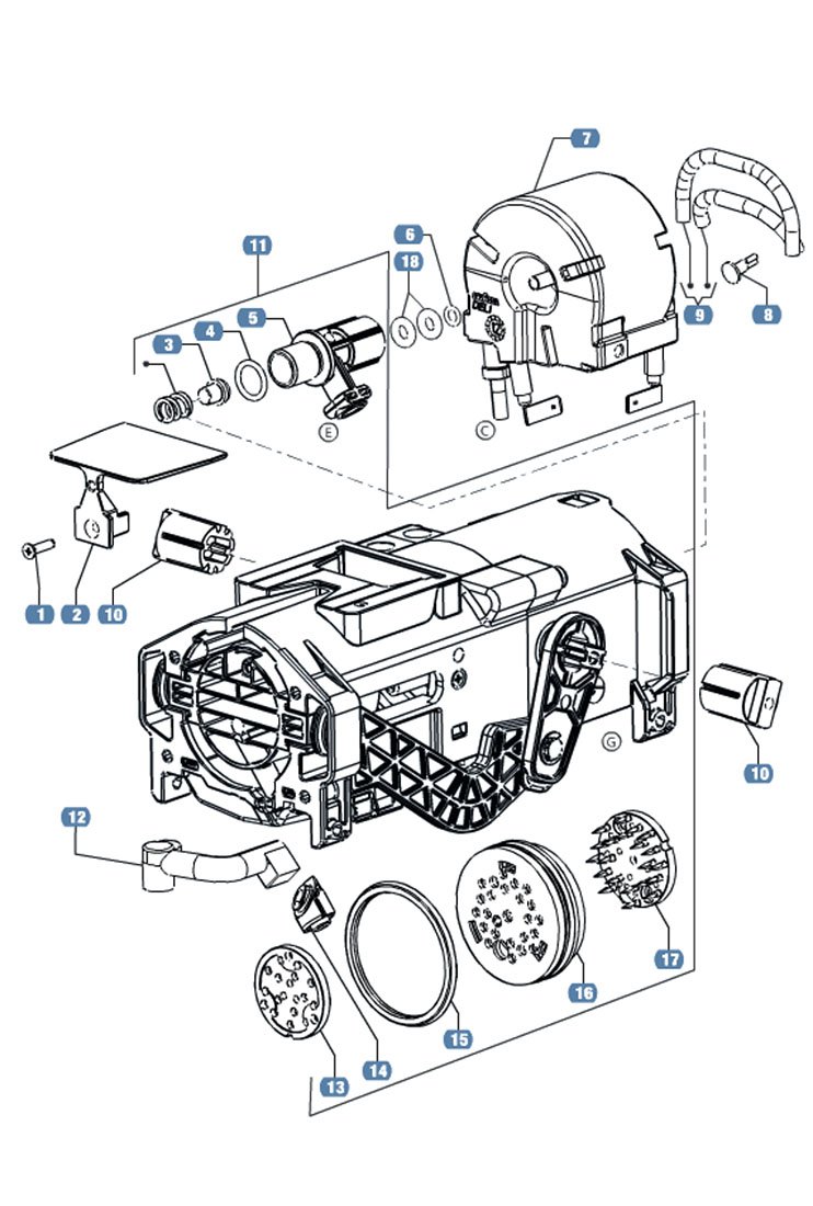
02 - Groupe café
num;sku
1;LAV/82381
2;LAV/82380
3;LAV/65802
4;LAV/81957
5;LAV/82519
6;LAV/82419
7;LAV/82408
8;LAV/65757
9;LAV/82423
10;LAV/82371
11;LAV/82509
12;LAV/82410
13;LAV/66938
14;LAV/81462
15;LAV/65705
16;LAV/82514
17;LAV/82515
18;LAV/65709
LF 400
LF 400