Pièces Détachées
OK
Accueil
Compte
Votre panier
0,00 €
0
Boutique
A Propos
Contacts
Actualités
Eclatés techniques
Déstockage
Annonces
Boutique
Catalogue des Marques
Rielda S.R.L
Rielda Serrature
Marques
Bianchi
Lavazza
Rhéavendors
Saeco
Tecnomatic
Trial
N&W Gobal Vending
Vendo - Sanden
Informations
Actualités
Inscription
FAQ
Témoignages
Services
Tél : 01 40 92 95 95
DIFCAA
7 Avenue Descartes
92350 - Le Plessis Robinson
Éclatés techniques
Rechercher
Retour aux éclatés techniques
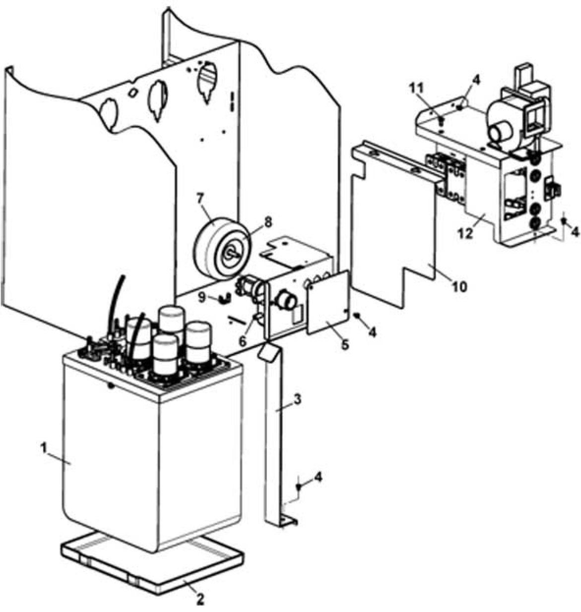
02 - Partie arrière
HORECA 380
num;sku
2;R0010020270
3;R0010020289
4;RVIT0002009
5;R0010020888
5;R0010020888CX
6;R0110001110
7;RELE0000584R
8;RGUA0005016
9;RELE0060520
10;R0010020887
11;RVIT0000012
HORECA 380